Блок предохранителей в моторном отсеке
Открываем капот. Слева от аккумулятора мы увидим коробку со вторым блоком.

Порядок предохранителей в этом блоке с разных машин.

Нумерация блока для таблицы ниже
|
Предохр. |
Клемма |
Сила тока (А) |
Назначение |
|
1 |
— |
— |
Резерв |
|
2 |
— |
— |
Резерв |
|
3 |
— |
— |
Резерв |
|
4 |
— |
15А |
Звуковой сигнал |
|
5 |
— |
15А |
Дроссельная заслонка |
|
6 |
— |
10А |
Габаритные огни |
|
7 |
— |
10А |
|
|
8 |
— |
— |
Резерв |
|
9 |
— |
15А |
Катушки зажигания |
|
10 |
— |
30А |
Цепь замка зажигания |
|
11 |
— |
20А |
Антиблокировочная система тормозов |
|
12 |
— |
20А |
Антиблокировочная система тормозов |
|
13 |
— |
20А |
Антиблокировочная система тормозов |
|
14 |
— |
65А |
1-й главный предохранитель |
|
15 |
— |
— |
Резерв |
|
16 |
— |
— |
Резерв |
|
17 |
— |
15А |
Обогрев ветрового стекла |
|
18 |
— |
5А |
Антиблокировочная система тормозов |
|
19 |
— |
10А |
Задний противотуманный фонарь |
|
20 |
— |
20А |
Комбинация приборов |
|
21 |
— |
15А |
Противотуманные фары |
|
22 |
— |
15А |
Дальний свет фар |
|
23 |
— |
15А |
Ближний свет фар |
|
24 |
— |
100А |
Генератор |
|
25 |
— |
30А |
1-й электродвигатель вентилятора радиатора |
|
26 |
— |
30А |
2-й электродвигатель вентилятора радиатора |
|
27 |
— |
30А |
Стеклоподьемник |
|
28 |
— |
— |
Резерв |
|
29 |
— |
65А |
2-й главный предохранитель |
Схема жгута проводов двигателя на новый Nissan Almera
![]()
|
1 – генератор; 2 – компрессор кондиционера; 3 – вентилятор системы охлаждения; 4 – дополнительный резистор; 5 – стартер; 6 – аккумуляторная батарея; 7 – датчик абсолютного давления воздуха; 8 – датчик скорости автомобиля; 9 – датчик температуры охлаждающей жидкости; 10 – датчик положения коленчатого вала; |
11 – датчик температуры воздуха на впуске; 12 – клапан продувки адсорбера; 13 – управляющий датчик концентрации кислорода; 14 – колодка соединения со жгутом проводов управляющего датчика концентрации кислорода; 15 – диагностический датчик концентрации кислорода; 16 – колодка соединения со жгутом проводов диагностического датчика концентрации кислорода; 17 – катушки зажигания; 18 – свечи зажигания; 19 – форсунки; |
![]()
|
20 – датчик положения дроссельной заслонки; 21 – регулятор холостого хода; 22 – датчик детонации; 23 – датчик давления хладагента; 24 – датчик давления в системе гидроусилителя рулевого управления; 25 – датчик недостаточного давления масла; 26 – выключатель света заднего хода; 27 – реле дополнительного обогрева салона; |
28 – электронный блок управления двигателем (контроллер); 29 – блок предохранителей и реле в моторном отсеке; 30 – реле большой скорости вентилятора системы охлаждения; 31 – реле малой скорости вентилятора системы охлаждения; 32 – реле компрессора кондиционера; 33 – реле топливного насоса и катушки зажигания; 34 – главное реле; 35, 36 – предохранители в блоке реле и предохранителей в моторном отсеке; 37 – колодка соединения со жгутом проводов кузова |
![]()
Оплата через PayPal
После выбора оплаты через PayPal запустится платежная система PayPal, где требуется выбрать способ оплаты банковская карта или аккаунт PayPal.
Если у Вас уже есть аккаунт PayPal, то Вам необходимо зайти в него и осуществить платеж.
Если у Вас нет аккаунта в PayPal, и Вы хотите оплатить с помощью банковской карты через PayPal, Вам необходимо нажать на кнопку «Create an Account (Создать аккаунт)» — на рисунке показано стрелочкой.
После чего PayPal предложит вам выбрать Вашу страну и указать данные кредитной карты.
После указания данных, необходимых для осуществления платежа, надо нажать на кнопку «Pay Now (Оплатить)».
Электросхемы Nissan Almera Classic с 2006 года
Остальные элементы соединены между собой параллельно и соединены единым выходом, поэтому для их починки не потребуется каких-либо сложных манипуляций.
Схема зарядки аккумулятора Общая схема электропитания указывает лишь на связь всех деталей с аккумулятором.

Однако не менее важно знать систему зарядки самой батареи. В ряде моделей Алмеры Н16 она отличается от Классика и Г15, потому что после года производитель перестал предлагать дизельные силовые агрегаты, в то время как в бензиновых установках существует иная схема
Предназначение обеих систем абсолютно одинаковое и крайне важное — наполнение аккумуляторной батареи электроэнергией
Электрическая схема автомобиля НИССАН АЛЬМЕРА
Различие их заключается в нескольких деталях, которые обусловлены спецификой двигателей. Главным различием является наличие монтажного блока место установки предохранителей в моторном отсеке.

Но если эту деталь спутать сложно, то с контрольными лампами нужно быть осторожнее, поскольку в бензиновом двигателе они дополнены резистором, который снижает напряжение.
Если случайно перепутать их, то можно получить замыкание, что выведет из строя весь автомобиль.

Схема двигателя Помимо указанных выше систем, все комплектующие, работа которых обеспечивается за счет энергии от аккумуляторной батареи, имеют собственные электросхемы. Одной из важнейших является двигатель, многие элементы которого сегодня могут выполнять свои задачи лишь при наличии электроэнергии.
Электросхема Ниссан Альмера
Данная схема считается самой запутанной, поэтому разбираться в ней придется достаточно долго. Она включает в себя более 40 элементов, главным из которых является, конечно же, аккумулятор.
Ниссан альмера классик 2006 схема проводки известно, двигатель включает в себя множество систем, которые обеспечивают работу силового агрегата. Каждая из них, как видно на предложенной схеме, имеет свое ответвление, что позволяет четко распределить подачу тока к деталям.
Ключевое место занимают системы пуска и управления.
К слову, данные блоки имеют собственные электросхемы, поскольку их устройство само по себе достаточно непростое, хотя для общей ориентации в деталях двигателя достаточно и общего ниссан альмера классик 2006 схема проводки. Придется разобраться и в обозначениях, касающихся отопления, вентиляции и освещения. В силу того, что они могут регулироваться в зависимости от желания водителя, данные части схемы по факту обозначают лишь стандартное расположение элементов, в то время как на практике складывается иная картина.
После указания данных, необходимых для осуществления платежа, надо нажать на кнопку «Pay Now Оплатить «.
Электрические схемы Nissan Almera

В статье представлен сборник электрических схем автомобиля Nissan Almera 1995 до 2006 гг.
N16 (2000–2006). В 2000 году вышла Almera второго поколения. Она производилась в трёх кузовах: трехдверный и пятидверный хэтчбэки, а также седан. На машины этого поколения устанавливались бензиновые двигатели Nissan QG объемом 1,5 и 1,8 литра, турбодизели с прямым впрыском YD22DDT объемом 2,2 литра и обычные турбодизели YD22DDTi. Автоматические коробки передач устанавливались на модели с объемом двигателя 1,8 литра. На японском внутреннем рынке модель выпускалась под именем Bluebird-Sylphy, в Сингапуре — под именем Nissan Sunny, где комплектовалась двигателем 1,6 с АКПП.
Кликнув мышкой по фотографии, — она увеличится до Вашего размера экрана монитора, далее нажмите правой кнопкой мыши и выберите «Сохранить изображение» для того, чтобы скачать авто схему себе на компьютер.

Общая схема электропитания
Первым делом стоит сразу же оговориться, что общая электрическая схема Ниссан Альмера N16, Classic и G15 примерно одинаковая. Дело все в том, что на ней показаны лишь связи между оборудованием и источниками подачи энергии, в то время как распределение проводов по деталям машины может несколько различаться. Выглядит схема устройства электропитания следующим образом:
Центральное место на ней занимает аккумуляторная батарея. К ней подключается все остальное оборудование. Больше всего проводов идет к разного рода выключателям, отвечающим за работу той или иной детали. Кроме того, в общую схему входят реле, которые распределяют энергию к дополнительному оборудованию. Цепочка электропроводки замкнутая, поэтому, как правило, при повреждении или появлении неисправностей в одной из частей проблемы испытывает вся система.
Как уже говорилось выше, важную роль в устройстве электропитания Nissan Almera играют выключатели, которые отвечают за работу такого оборудования, как стеклоподъемники (в т. ч. люка крыши), зажигание, приборы передней панели, противотуманки и освещение. Кроме того, существует основное и дополнительное реле для иных деталей, которые могут быть подключены к общей системе опционально. Каждая из перечисленных систем подключается к аккумулятору по-разному, поэтому и сложность ремонта той или иной детали может различаться.
Наиболее запутана проводка в районе расположения выключателей стеклоподъемников, стартера, зажигания и плюсовых контактов к форсункам. Сложность их замены в том, что они защищены предохранителями, которые предварительно нужно отсоединить от сети, прежде чем приступать к работе с другими проводами. Остальные элементы соединены между собой параллельно и соединены единым выходом, поэтому для их починки не потребуется каких-либо сложных манипуляций.
Это интересно: Замена топливной трубки перед двигателем
Скачивание книги
После успешного прохождения платежа (любым способом) и возврата в магазин KrutilVertel с сайта платежной системы Вы попадаете на страницу успешной оплаты:
Купленная Вами книга будет находиться в Вашем личном кабинете, откуда ее всегда можно будет скачать.
Обратите внимание, что после совершения оплаты, Вам необходимо вернуться обратно с сайта платежной системы на сайт KrutilVertel. В случае, если по каким либо причинам Вы не вернулись обратно на сайт и закрыли вкладку платежной системы с сообщением про успешное прохождение платежа, сообщите нам об этом — мы вышлем Вам письмо в котором будет указан доступ для скачивания книги
В случае, если по каким либо причинам Вы не вернулись обратно на сайт и закрыли вкладку платежной системы с сообщением про успешное прохождение платежа, сообщите нам об этом — мы вышлем Вам письмо в котором будет указан доступ для скачивания книги.
Проблемы при оплате банковскими картами
Иногда при оплате банковскими картами Visa / MasterCard могут возникать трудности. Самые распространенные из них:
- На карте стоит ограничение на оплату покупок в интернет
- Пластиковая карта не предназначена для совершения платежей в интернет.
- Пластиковая карта не активирована для совершения платежей в интернет.
- Недостаточно средств на пластиковой карте.
Для того что бы решить эти проблемы необходимо позвонить или написать в техническую поддержку банка в котором Вы обслуживаетесь. Специалисты банка помогут их решить и совершить оплату.
Вот, в принципе, и все. Весь процесс оплаты книги в формате PDF по ремонту автомобиля на нашем сайте занимает 1-2 минуты.
Если у Вас остались какие-либо вопросы, вы можете их задать, воспользовавшись формой обратной связи, или написать нам письмо на info@krutilvertel.com.
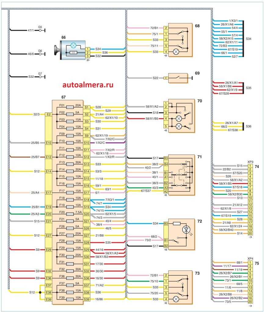
Схема переднего жгута проводов кузова на новый Nissan Almera
| А – место перехода жгута проводов из моторного отсека в салон; 1 – правая блок-фара; 2 – правая противотуманная фара; 3 – колодка соединения со жгутом проводов противотуманных фар; 4 – левая противотуманная фара; 5 – правый звуковой сигнал высокого тона; 6 – левый звуковой сигнал низкого тона; 7 – левая блок-фара; 8 – правый боковой указатель поворота; 9 – очиститель ветрового стекла; |
10 – омыватель ветрового стекла; 11 – блок управления ABS; 12 – датчик уровня тормозной жидкости; 13 – левый боковой указатель поворота; 14 – датчик частоты вращения правого переднего колеса; 15 – блок реле и предохранителей в моторном отсеке; 16 – реле вентилятора отопителя; 17 – реле противотуманных фар; 18, 19 – предохранители в блоке реле и предохранителей в моторном отсеке; 20 – датчик частоты вращения левого переднего колеса; 21 – колодка соединения со жгутом проводов двигателя; |
![]()
| 22 – правый подрулевой переключатель; 23 – подушка безопасности водителя; 24 – спиральный кабель; 25 – левый подрулевой переключатель; 26 – колодки подключения к аудиосистеме; 27 – реле доп. обогревателя салона (70 А); |
28 – реле дополнительного обогревателя салона (40 А); 29 – датчик положения педали тормоза и выключатель сигналов торможения; 30 – реле обогрева заднего стекла; 31 – катушка иммобилайзера; 32 – колодка соединения со жгутом проводов выключателя зажигания; 33 – выключатель зажигания; |
![]()
|
34 – электропривод замка правой передней двери; 35 – стеклоподъемник правой передней двери; 36 – правый передний динамик; 37 – правое наружное зеркало; 38 – колодка соединения с правым наружным зеркалом; 39 – левое наружное зеркало; 40 – колодка соединения с левым наружным зеркалом; 41 – левый передний динамик; 42 – стеклоподъемник левой передней двери; 43 – электропривод замка левой передней двери; |
44 – колодка диагностики; 45 – крышка колодки диагностики с перемычкой; 46 – блок управления подушками безопасности; 47 – колодка соединения со жгутом проводов вентилятора отопителя; 48 – вентилятор отопителя; 49 – дополнительный обогреватель салона; 50 – блок дополнительных резисторов вентилятора отопителя; 51 – блок управления вентиляцией, отоплением и кондиционированием; 52 – колодка соединений со жгутом проводов подушки безопасности переднего пассажира и освещения вещевого ящика; 53 – выключатель стеклоподъемника правой передней двери; 54 – выключатель центрального замка; 55 – выключатель аварийной сигнализации; 56 – выключатель обогрева заднего стекла; 57 – выключатель стеклоподьемника левой передней двери; |
![]()
|
58 – коммутационный блок; 59 – колодка соединения со жгутом обогревателя правого переднего сиденья; 60 – элемент обогрева правого переднего сиденья; 61 – выключатель обогрева правого переднего сиденья; |
62 – комбинация приборов; 63 – колодка соединения со жгутом обогревателя левого переднего сиденья; 64 – элемент обогрева левого переднего сиденья; 65 – выключатель обогрева левого переднего сиденья; |
![]()
|
66 – прикуриватель; 67 – блок предохранителей в салоне; 68 – выключатель стеклоподъемника правой задней двери; 69 – выключатель сигнализатора включения стояночного тормоза и неисправности тормозной системы; 70 – плафон освещения салона; |
71 – регулятор управления электроприводами наружных зеркал; 72 – выключатель блокировки задних стеклоподъемников; 73 – выключатель стеклоподъемника левой задней двери; 74, 75 – колодки соединения с задним жгутом проводов кузова |
![]()
Переключатель света фар, габаритного света и указателей поворота Nissan Almera
|
Рис. 1.25. Рычаг переключателя света фар, габаритного света и указателей поворота: А — включение освещения; Б — включение ближнего / дальнего света и сигнализация фарами; В — сигналы поворота и перестроения; 1 — включение ближнего или дальнего света фар; 2 — сигнализация дальним светом фар; 3 — включение указателя правого поворота; 4 — включение указателей левого поворота; 5, 6 — нефиксированные положения рычага для включения указателей поворота при перестроении на автострадах. Положения головки переключателя: I — освещение выключено; II — включен габаритный свет; III — включен ближний свет фар |
При повороте головки рычага в положение «II» (рис. 1.25, А) включаются габаритный свет, задние фонари, освещение номерного знака и подсветка комбинации приборов.
При повороте головки в положение «III» дополнительно включается ближний свет фар.
Для переключения с ближнего на дальний свет фар надо переместить рычаг переключателя в направлении от себя. Чтобы снова включить ближний свет, переместить рычаг на себя (рис. 1.25, Б).
На некоторых моделях устанавливается система освещения, при которой фары ближнего света, габаритный свет и задние фонари, фонарь освещения номерного знака и подсветка комбинации приборов включаются сразу при запуске двигателя и выключенном переключателе фар. Следует помнить, что при выключенном переключателе фар невозможно перейти с ближнего света на дальний.
Для сигнализации дальним светом фар следует переместить рычаг на себя вдоль рулевой колонки. При переводе рычага в верхнее положение включаются указатели правого поворота, в нижнее положение — указатели левого поворота. После завершения поворота рычаг автоматически возвращается в исходное положение (рис. 1.25, В).
При включении указателей поворота во время обгонов и перестроений, в особенности на автострадах, можно не нажимать на рычаг переключателя до отказа, а задержать его вблизи фиксированного положения на время маневра. По окончании маневра отпустить рычаг, который автоматически вернется в нейтральное положение.
Схема зарядки аккумулятора
Общая схема электропитания указывает лишь на связь всех деталей с аккумулятором
Однако не менее важно знать систему зарядки самой батареи. В ряде моделей Алмеры Н16 она отличается от Классика и Г15, потому что после 2006 года производитель перестал предлагать дизельные силовые агрегаты, в то время как в бензиновых установках существует иная схема
Предназначение обеих систем абсолютно одинаковое (и крайне важное) – наполнение аккумуляторной батареи электроэнергией. Различие их заключается в нескольких деталях, которые обусловлены спецификой двигателей
Главным различием является наличие монтажного блока (место установки предохранителей) в моторном отсеке.
Схема КСУД Nissan ECCS двигателя SR20DE автомобиля Almera GTI:

1 — аккумуляторная батарея; 2 — выключатель зажигания; 3 — реле включения контроллера; 4 — топливные форсунки; 5 — сигнал на тахометр; 6 — контрольный резистор; 7 — распределитель зажигания; 8 — коммутатор (встроен в распределитель зажигания); 9 — конденсатор (встроен в распределитель зажигания); 10 — катушка зажигания; 11 — датчик положения коленчатого вала и частоты вращения коленчатого вала двигателя; 12 — свечи зажигания; 13 — измеритель массового расхода воздуха; 14 — датчик содержания кислорода в отработавших газах; 15 — датчик положения дроссельной заслонки; 16 — датчик температуры охлаждающей жидкости; 17 — датчик давления в системе гидроусилителя рулевого управления; 18 — контроллер КСУД; 19 — разъем диагностики; 20 — контрольная лампа неисправности КСУД; 21 — реле включения топливного насоса; 22 — топливный насос; 23 — тахометр; 24 — датчик скорости движения; 25 — датчик детонации; 26 — электромагнитный клапан рециркуляции отработавших газов и продувки абсорбера; 27 — регулятор холостого хода; 28 — регулятор ускоренного холостого хода; 29 — двойное реле включения электровентиляторов системы охлаждения двигателя (на автомобилях с автоматической коробкой передач); 30 — реле включения электровентиляторов системы охлаждения двигателя (на автомобилях с механической коробкой передач); 31 — двухскоростной электровентилятор системы охлаждения двигателя; 32 — односкоростной электровентилятор системы охлаждения двигателя; 33 — датчик температуры поступающего воздуха; 34 — датчик давления хладагента кондиционера; 35 — к блоку управления температурой воздуха в салоне; 36 — ЭБУ запрета пуска двигателя; 37 — датчик положения рычага переключения передач; 38 — датчик положения рычага селектора; 39 — «+» после включения зажигания или «+» при включении стартера; 40 — «+» аккумуляторной батареи; 41 — реле включения электромагнитной муфты компрессора кондиционера; 42 — переключатель наружного освещения; 43 — реле включения обогревателя заднего стекла; 44 — выключатель обогревателя заднего стекла; 45 — к компрессору кондиционера; 46 — к реле времени обогревателя заднего стекла.
Смена ламп дополнительного стоп-сигнала
Лампа дополнительного стоп-сигнала Альмера Классик меняется после его демонтажа. Для этого потребуется выполнить следующие действия:
- Используя отвёртку с тонким жалом, обернутую в тряпку, понадобится поддеть левый край дополнительного стопового сигнала;
- Аккуратно вывести стоп-сигнал из зацепления пластиковыми фиксаторами;
- Отсоединить штепсель с питающими проводами.

Лампа стоп сигнала Альмера Классик P21W 12v21W
Замена светового компонента в дополнительном стоп-сигнале осуществляется после извлечения патрона. Для этого необходимо провернуть его против часовой стрелки. Вытянув старый, можно приступать к установке нового и сборке в обратной последовательности.
Схема двигателя
Помимо указанных выше систем, все комплектующие, работа которых обеспечивается за счет энергии от аккумуляторной батареи, имеют собственные электросхемы. Одной из важнейших является двигатель, многие элементы которого сегодня могут выполнять свои задачи лишь при наличии электроэнергии.

Как известно, двигатель включает в себя множество систем, которые обеспечивают работу силового агрегата. Каждая из них, как видно на предложенной схеме, имеет свое ответвление, что позволяет четко распределить подачу тока к деталям. Ключевое место занимают системы пуска и управления. К слову, данные блоки имеют собственные электросхемы, поскольку их устройство само по себе достаточно непростое, хотя для общей ориентации в деталях двигателя достаточно и общего плана.
Придется разобраться и в обозначениях, касающихся отопления, вентиляции и освещения.
Принципы работы электрической сети в машине
Каждый из представленных элементов выполняет собственную роль в функционировании транспортного средства. Их деятельность дополняет друг друга:
Аккумулятор расположен в кронштейне моторного отсека слева. Положительный выход от него соединен с реле стартера ниссан альмера н16, а отрицательный «завязан» на «массе» двигателя и кузова. Распределительная коробка находится тут же, рядом с батареей. Необходимо тщательно следить за этой деталью — особенно это касается проверки крепления батареи и зачистка окислившихся кончиков. Очень частыми причинами поломками здесь могут стать проблемы, которые создает генератор ниссан альмера n16.
Генератор на ниссан альмера n16 является трехфазным. В своей конструкции он имеет встроенный электронный регулятор и выпрямитель. Его привод идет от клинового ремня, который закрепляется на шкиве коленчатого вала
Генератор на ниссан альмера н16 имеет важное значение для езды — он заряжает аккумулятор во время того, как транспорт движется.
Без такой важной части, как стартер, ни одна машина просто не запустится. Интересно знать в ниссан альмера, где находится реле стартера? Такой блок находится справа в моторном отсеке, по соседству с бачком для омывающей жидкости
По сути дела, этот элемент электрической цепи — электродвигатель, работающий на постоянном токе. На его двухобмоточное реле подается постоянный ток — только после этого начнет вращаться якорь у стартера.

Стартер ниссан альмера фото
Очень важное значение во всем процессе работы имеет бортовая сеть. Её составляющие — это провода, средства защиты, а также соединительные и распределительные устройства
Сюда же включат и различные используемые датчики.
Расположение компонентов системы электрооборудования в салоне автомобиля:1 — монтажный блок предохранителей и реле; 2 — электронный блок управления двигателем; 3 — блок управления подушками безопасности; 4 — электронный блок управления АБС; 5 — реле блока управления двигателем; 6 — реле времени очистителя ветрового стекла; 7 — блок централизованной блокировки замков дверей; 8 — реле блокировки стартера; 9 — блок управления сигнализатором невыключенного наружного освещения при наличии ключа в замке зажигания (выключателе приборов и стартера);10 — реле-прерыватель указателей поворота и аварийной сигнализации; 11 — выключатель стоп-сигнала; 12 — реле противотуманных фар; 13 — реле бензонасоса; 14 — реле времени очистителя заднего стекла; 15 — разъем жгута проводов дверных выключателей; 16 — разъем жгута проводов салона и моторного отсека; 17 — выключатель стеклоподъемников и люка крыши
Среди прочих представленных элементов электрооборудования авто можно выделить:
фары (галогены с возможностью ближнего и дальнего света, лампы для передних габаритов и указателя повороты);

Фары для ниссан альмера фото
фары противотуманные (установлены в нижней части на переднем бампере);

Противотуманные фары ниссан альмера фото
задние «противотуманки» (находятся, соответственно, внизу заднего бампера);

Задние противотуманные фары ниссан альмера
поворотные указатели (есть в блок-фарах, а также боковых и задних фонарях);

Поворотник для ниссан альмера
корректор света фар (изменяет направление подаваемого света).

Корректор фар ниссан альмера
И нельзя не отметить, что любое электрооборудование в машине имеет систему защиты — обычно это предохранители в монтажных блоках. Последние могут располагаться как в салоне, так и в моторной секции, но в любом случае выполнять возложенную на них «миссию» — защищать узлы и детали системы от перегрузок и возможных коротких замыканий.
Видео по электрооборудованию автомобиля:
https://youtube.com/watch?v=YzYTR_g7rtA








































